欢迎光临香港六宝典资料大全官网

天津远东

高端螺杆泵实力制造商

35年专注螺杆泵 ,上万家企业成功见证

全国免费咨询热线

400-873-7966

prevnext

3GR70X3三螺杆重油泵-3G三螺杆泵

  • 产品名称:3GR70X3三螺杆泵
    所属分类:三螺杆泵
    流量范围:22m3/h
    工作压力:≤1.0~2.5MPa
    转速范围:1450RPM
    使用温度:≤150℃
    粘度范围:3.0-760mm2/s
    密封形式:机械密封
    适用范围:造船、热电厂、化工、炼油厂、食品厂、油田。
  • 咨询热线:4008-737-966
  • 产品详情

  • 参数及型号

  • 装卸及调试

  • 联系我们


3GR70X3W21三螺杆泵

产品信息

产品名称: 3GR70X3三螺杆重油泵

产品品牌:津远东  

所属分类:3G三螺杆泵  

包装方式:木箱包装  

流量范围:22m3/h  

工作压力:1.0~2.5Mpa 

使用温度:≤150°C

粘度范围:3.0~760cst

密封形式:机械密封

转速范围:1450r/min

适用范围:输送重质燃油;炼油厂、热电厂、食品厂等油品输送。


三螺杆泵产品特点:

1、结构简单:具有多种结构形式,一般小流量0.2~6.5m3/h,泵的泵体和衬套合为一体(统称泵体),轴封为机械密封。中等流量以上的泵衬套为一单独的零件固定于泵体内,大流量泵多制成双吸结构卧式安装,轴封根据输送介质的不同有机械密封和填料密封两种。船用泵的安装形式有卧式和立式两种,原动机为交、直流船用电动机。

 

2、寿命长:三螺杆泵的主动螺杆由电动机驱动,主、从杆之间没有机械接触,而由所输压力液体驱使从杆绕轴心线自转,主、从杆之间、螺杆与衬套之间皆有一层油膜保护,因而泵的机械摩擦极小,寿命堪称半永久性。

 

3、三螺杆泵具有高吸入能力,所输液体在泵内作轴向匀速直线运动,压力脉动小,流量稳定,噪音低,由于转动部件惯性小,则起动力矩和振动很小。

 

4、为保证泵,电机及管路系统的安全,中等流量以上的螺杆泵均带有安全阀当压力超过安全阀的设定压力时,高压油将回流至泵的进油口。


3GR70X3三螺杆泵3GR70X3三螺杆泵
3GR70X3三螺杆泵3GR70X3三螺杆泵

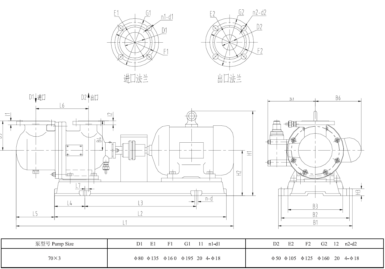
  • 产品参数对照

3GR70X3三螺杆泵参数

3GR70X3三螺杆泵

天津远东泵业三十多年来专业生产3GR70X3三螺杆重油泵,我们专心专注为您打造省时、省心、省力的流体输送方案,您的满意是我们最大的追求。全国免费咨询热线:4008-737-966。


三螺杆泵,3GR70X3三螺杆泵,三螺杆重油泵

咨询:3GR70X3三螺杆重油泵-3G三螺杆泵
* 为必填项

  • *
  • 点击刷新

返回顶部