天津远东W双螺杆泵W5kse-87用于107胶输送泵发往天津红桥
天津远东W双螺杆泵W5kse-87用于107胶输送泵发往天津红桥
天津远东3台W双螺杆泵W5kse-87作为107胶输送泵发往希格茨曼电子仪表有限公司,产品型号:W5kse-87,流量24m3/h,压力0.6Mpa,转速950r/min,数量3台。
产品型号:W5kse-87,流量24m3/h,压力0.6Mpa,转速950r/min,数量3台。输送介质为107胶。经过试验,均达到客户所需标准。
技术参数:
流量≤450m3/h;
工作压力≤2.0MPa;
转速≤1450rpm;
使用温度≤120℃①;
粘度≤100000mm2/s;
吸上高度≤8.5m WC;
壳体压力2.4MPa;
转向从轴头看呈顺时针转向②;
①为清洗用介质,如蒸汽<180℃。
②若用逆时针转向,需降低部分性能要求,订货时请注明具体要求。

W双螺杆泵W5kse-87
特点:
1、清洗快速、方便;
2、可平稳、无剪切输送液体;
3、有很强的自吸能力,且能汽液混输;
4、工作元件间无接触,可夹带一定量的细小颗粒(如高岭土等);
5、允许短期干运转(≤2min);
6、介质粘度可达100000mm2/s;
7、改变转速来调节流量,输出压力保持稳定;
8、具有同步齿轮,轴承外置;
9、各种驱动方式均可使用;
10、可选择不同的进出口联接方式(法兰或圆弧螺纹联接);
11、拆装方便,维修简单;
12、高效节能;
应用范围:
此系列泵可用于以下行业:
○化工业:各种酸、碱、盐液、树脂、甘油、石蜡、重渣油、汽油和其它化工原料。
○油漆业:油墨、各种油漆、颜料、涂料等。
○饮料食品业:酒精、酒类、蜂蜜、糖浆、牙膏、牛奶、奶油、酱油、植物油、动物油、巧克力、八宝粥等。
○制药业:各种制剂、葡萄糖液、以及各种注射液等。

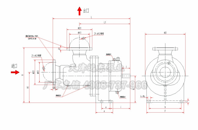
Wkse双螺杆泵结构图
希格茨曼电子仪表有限公司介绍:
希格茨曼电子仪表有限公司系外商投资建立的外资企业,在天津市红桥区登记注册,是具有现代高新科技水平,集科、工、贸为一体的综合经济实体。
公司实行总经理负责制度,充分发挥生产、技术、财务等部门的职能,形成完善的运营机构。
公司是美商在华独立投资企业之一, 并在世界各地设有办事处,具有一定的经济实力,完全按照国际标准及结算方式进行操作。在贸易往来、资金流动等诸多方面均有很高的支持水平。
公司配备了先进的设备,整套严格的作业标准,科学的测试方法及精确的计量体系。 无论是在经营销售前后,我们都将以热情的工作态度为您提供高效的服务,用户的满意程度就是我们工作效果的评估准则,用户的信赖就是我质量们保证的最佳业绩。
公司聚集众多人才,并注重发挥员工的能力,企业拥有一批高级工程师、技术人员、管理人员,同全国各大科研机构、高等学府经常性的学术交流、探讨,并与河北工业大学电器研究所横向联合,优化知识结构,提高了设计、开发能力,是实现高新技术、卓越品质及可靠信誉的根基。
感谢客户选定并认可天津远东泵业Wkse双螺杆泵,我们将继续为您提供更优质的产品,希望下次继续与我公司合作。我们的免费售后服务热线:4008-737-966
同类文章排行
- 三螺杆泵在润滑脂行业的应用
- NYP高粘度泵如何安装和调试双端面机械密封
- 稠油输送泵RCB-30/0.6齿轮泵
- NYP-110高粘度泵胶水输送泵高粘度转子泵
- 导热油输送泵SNH80R54E6.7W21三螺杆泵
- 矿物油输送泵SNH1300R46U12.1W21三螺杆泵
- 柴油泵3GR110X4W21三螺杆泵
- 沥青输送泵RCB-4/0.6-Y90L-4齿轮泵
- GCN40-1V-W101单螺杆泵船用背包式螺杆泵
- W6.4Z30M1Z1W73双螺杆泵船用双螺杆泵
最新资讯文章
您的浏览历史





