天津远东水电站专用三螺杆泵4台已准备发往四川成都
天津远东4台水电站专用三螺杆泵准备发往四川成都清蓝,经过我厂多次试验均达到客户使用工况要求,此泵输送介质为透平油,透平油主要用于发电厂蒸气轮机、水电站水轮发电机及其它需要深度精致润滑油的润滑场合,透平油就是汽轮发动机用的一种机油,适合高速机械润滑用,主要起到润滑\散热\冷却调速的作用。
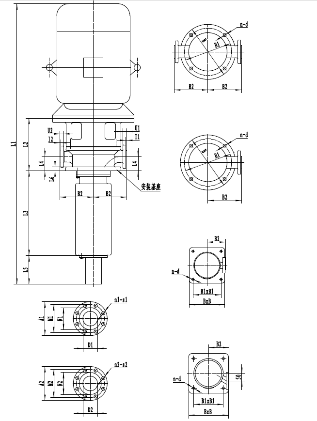
设备型号:3GC25X4-W2-Y-90S-2-V1流量:2m3/h;压力:1.0Mpa;转速:2900r/min:功率:1.5kw;数量2台;均为侵入式安装。
设备型号:3GC36X4-W2-Y112M-2-V1流量:6.5m3/h;压力:1.0Mpa;转速:2900r/min:功率:4kw;数量2台;均为侵入式安装。
交货期为10天,客户要求泵和连接架需要喷漆,电机为原厂原色,电机为:VI式样电机。电机风扇罩有保护型。货物已发安能物流,请兰经理注意查收。
3GC系列水电行业专用三螺杆泵是使用在水力发电机组水轮机调速器油源装置的供油系统和压油系统上,是在3G三螺杆泵和3GJ三螺杆泵基础上研发出的新型中高压三螺杆泵产品,严格按照三螺杆泵国家标准GB/T10886-2002设计开发生产制造的三螺杆泵产品。
3GC三螺杆泵应用与流体处理介质:液压油,润滑油,汽轮机油,稀油,抗磨液压油,常用于水电行业,水电站,水轮机组的大型油膜轴承润滑,冷却循环。
机组图

感谢客户选定并认可天津远东泵业3GC三螺杆泵,我们将继续为您提供更优质的产品,希望下次继续与我公司合作。感谢您的支持和配合,我们的免费售后服务热线:4008-737-966。
同类文章排行
- 三螺杆泵在润滑脂行业的应用
- NYP高粘度泵如何安装和调试双端面机械密封
- 稠油输送泵RCB-30/0.6齿轮泵
- NYP-110高粘度泵胶水输送泵高粘度转子泵
- 导热油输送泵SNH80R54E6.7W21三螺杆泵
- 矿物油输送泵SNH1300R46U12.1W21三螺杆泵
- 柴油泵3GR110X4W21三螺杆泵
- 沥青输送泵RCB-4/0.6-Y90L-4齿轮泵
- GCN40-1V-W101单螺杆泵船用背包式螺杆泵
- W6.4Z30M1Z1W73双螺杆泵船用双螺杆泵
最新资讯文章
您的浏览历史





